寇建玉:聚光太阳能新市场增量空间

时间:2020-10-22 15:52 来源:太阳能光热联盟
  在综合能源的大背景下,聚光太阳能产业的发展空间在哪里?要如何发展?近日,win德赢网 副理事长、电力行业勘察设计大师、内蒙古电力勘测设计院有限责任公司副总工程师寇建玉对此进行了介绍。她从太阳能热发电的技术优势,分析其在多能互补和综合能源所起的作用,认为“以热能为中心的综合能源系统是聚光太阳能的新市场增量空间,而配置储能的聚光太阳能系统本身就是一个综合能源系统。太阳能热发电产业链各单位可积极策划以热能为中心的综合能源项目,努力拓展市场增量空间。”
  一、太阳能热发电技术优势
  太阳能热发电技术从聚焦方式可分为线聚焦和点聚焦两种方式,线聚焦主要有槽式和菲涅耳式,点聚焦主要塔式和碟式。
  槽式太阳能热发电技术的聚光比为10~70,适用于高/中温、中压;是目前国际上商业化运营项目最多的技术路线,可学习运营经验。菲涅耳太阳能热发电技术的聚光比为3~50,适用于高/中温、中压;今年6月19日,世界首个熔盐线性菲涅耳式太阳能光热发电商用项目——兰州大成敦煌50MW光热电站正式投入商业运行,也有了学习运营经验的技术路线。
  塔式能达到300~1500,适用于高温、超高压;目前商业化运营项目多、可学习运营经验。碟式太阳能热发电技术的聚光比介于1000~4000之间,多采用斯特林循环,有商业化运营项目、可学习运营经验。
  从技术路线上看,太阳能热发电技术的优势明显:一是可配备大规模、低成本、高效率储能系统;二可通过配备适当规模储能系统,可实现连续24h不间断发电;三是可部分替代常规火电作为基荷电源;四是对电网的冲击较小,符合建设绿色智能电网的要求。
  二、聚光太阳能参与的多能互补技术
  多能互补系统通过多能源协同、优化和互补,实现能源梯级利用,提高能源的综合利用水平。那么,聚光太阳能如何深度参与多能互补系统呢?主要有以下几种方式:
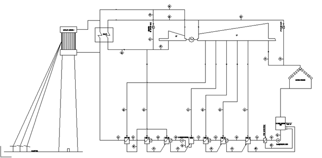
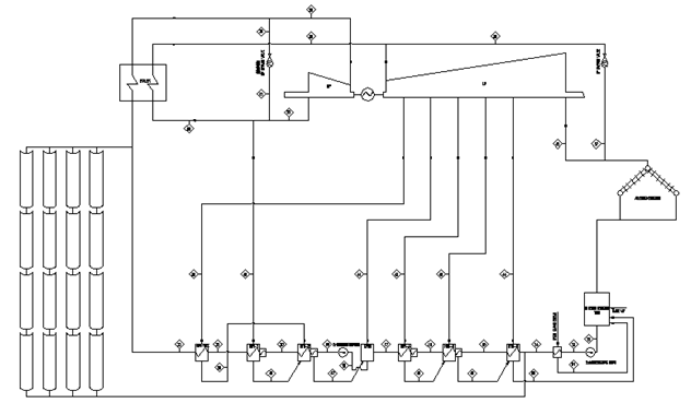
  1、塔式聚光太阳能+火力发电互补系统(蒸汽发生系统)
  2、槽式聚光太阳能+火力发电互补系统(给水预热系统)
  3、槽式聚光太阳能+燃气发电互补系统
  此外,聚光太阳能还可与生物质、垃圾、地热等发电形式组成多能互补系统。
  三、综合能源技术
  1、能源“革命”的提出
  2014年6月,中央财经领导小组第六次会议聚焦能源安全战略,习近平总书记提出推动能源消费、能源供给、能源技术和能源体制四方面的“革命”。
  2、什么是“互联网+”智慧能源(能源互联网)
  国家发改委、能源局、工信部联合发布《关于推进“互联网+”智慧能源发展的指导意见》,提出能源互联网的概念与战略,通过互联网技术实现综合能源系统的多能源互补互济、多系统协调优化以及能源市场商业模式创新,助力实现能源转型战略目标。
  3、综合能源系统
  “在国家能源创新发展战略和互联网、物联网技术的推动下,综合能源技术应运而生。”寇建说,综合能源系统是指一定区域内利用先进的物理信息技术和创新管理模式,整合区域内煤炭、石油、天然气、电能、热能等多种能源,实现多种异质能源子系统之间的协调规划、优化运行,协同管理、交互响应和互补互济。在满足系统内多元化用能需求的同时,有效地提升能源利用效率,促进能源可持续发展的新型一体化的能源系统。
  综合能源系统主要由供能网络(如CCHP机组、发电机组、锅炉、空调、热泵等)(源侧)、能源交换环节(如供电、供气、供冷/热等网络)(网侧)、能源存储环节(储侧)(储电、储气、储热、储冷等)和大量终端用户(荷侧)共同构成。
源网荷储系统示意图
  4、未来能源系统的发展趋势
  (1)横向多能互补,从单一能源向综合能源转变。通过源侧风、光、水、火、储多能互补系统和荷侧终端一体化供能系统,实现多能协同供应和梯级利用。
  (2)纵向“源-网-荷-储”协调,从传统的源随网动,向源、网、荷、储协调运行转变;以消费侧用户为中心,也是电网企业转变服务理念的主要表现。
  (3)集中与分布式相协调。“能源就近利用”实现分散化,“能源自远方来”实现能量交换,最终实现大系统协调分解的集中与分布式相协调。
  四、聚光太阳能在综合能源领域的应用
  槽式、塔式、菲涅耳式太阳能热发电技术均可提供冷、热、电多种能源,具备综合能源的基本特点,传统碟式仅具备供电的能力。在综合能源领域的应用如下:
  (1)源侧:太阳能热发电与冷热电三联供系统的基础特征相似,并可长时间储能,具有稳定电网运行的特点;在综合能源领域有很好的应用前景。
  (2)网侧:聚光太阳能采暖、供冷系统。
  (3)储侧:储热系统。
  (4)信息层:聚光太阳能控制系统向综合能源控制平台延伸。
  目前,综合能源服务在我国尚处于初期发展阶段,两大电网和各大电力公司是综合能源服务市场的主体参与者。国家电网印发的《推进综合能源服务业务发展2019-2020年行动计划》明确,坚持以电为中心、多能互济,以推进能源互联网、智慧用能为发展方向。“以电为中心的项目开发中,太阳能热发电产业链各单位可在规划阶段就积极参与到综合能源服务的大潮中来,以聚光太阳能的优势争取拿到更大的供能(源侧)、储能(储侧)市场份额。”寇建玉表示,并进一步进行分析:
  (1)现有用电负荷、供能模式下,通过改造以满足用户多方面的用能需求;如利用太阳能联合供热或制冷,弥补现有模式下的供能缺口;
  (2)园区微电网模式下的源网荷储,更是太阳能热发电大有作为的领域,内蒙院承接的二连浩特可再生能源基地项目就是很好的范例;北方地域辽阔,既可以满足太阳能热发电项目对太阳能资源、用地方面的要求,太阳能热发电特有的储能模式也有利于电网均衡供能。
  “以热能为中心的综合能源系统是聚光太阳能的新市场增量空间。”她总结道,据不完全统计,终端能源中热能占比50%、电能占比25%;冶金、造纸、化工、食品、药品等行业,热电消耗比甚至大于3,也就是说建设以热能为中心的综合能源项目市场空间更大。而配置储能的聚光太阳能系统本身就是一个综合能源系统,太阳能热发电产业链各单位可积极策划以热能为中心的综合能源项目,努力拓展市场增量空间。
  关于内蒙院
  win德赢网 副理事长单位——内蒙古电力勘测设计院有限责任公司持有电力行业甲级工程设计、综合类甲级工程勘察、甲级工程咨询等近十项甲级资质,是电力行业甲级勘测设计、总承包企业。在综合能源领域,可开展综合能源项目申报材料,区域综合能源总体规划,初可研、可研、基本设计、详细设计各阶段的设计咨询任务,综合能源项目的EPC总承包等业务。
  目前, 内蒙院参与综合能源项目有:
  1、包头达茂旗600MW风光热储智能互补综合示范项目。装机容量:光伏206MW,光热200MW,风电194MW。
  2、赤峰100MW塔式太阳能沼气互补发电项目。装机容量:沼气20MW,塔式80MW。
  3、二连浩特国家重点开发开放试验区局域电网风光煤联合发供电项目电源工程,装机容量:光伏30MW,风电200MW,火电700MW。
  4、二连浩特可再生能源微电网示范项目。装机容量:光伏565MW,风电1820MW,火电150MW,储能160MW。
  5、阿拉善经济开发区多能互补新能源基地项目规划报告。装机容量:光热50MW,光伏式195MW。
参与源网荷储项目有:
  1、中节能阿巴嘎旗集群150MW光伏项目微电网源网荷储优化配置项目。
  2、中节能阿巴嘎旗集群230MW风电项目微电网源网荷储优化配置项目。
  3、阿拉善盟新型军事能源建设项目。
  寇建玉简介
  作为电力行业勘察设计大师、自治区突出贡献专家、草原英才,内蒙古电力勘测设计院有限责任公司副总工程师、正高级工程师寇建玉,从事发电工程设计20余年,主持过数十项火电和新能源工程设计;2008年开始涉足光热发电领域,参与了大唐鄂尔多斯50MW特许权项目等多项太阳能热发电项目的设计,对太阳能热发电、中低温应用都有一定的研究。
  主要参与了《槽式太阳能光热发电站设计规范》、《塔式太阳能光热发电站设计规范》等多项国家标准的编写工作。
  在聚光太阳能参与的多能互补领域取得发明专利1项、实用新型专利5项。

热点排行榜

推荐图文

Baidu
map