槽式太阳能热发电可以借助传热介质的热惰性有效应对多云天气的变化,在热循环系统中可保持温度相对稳定,其输出的优质电力和规模储能为电网所欢迎。此外,槽式光热循环系统还可通过多能互补充分展现储热优势,通过延长发电时数降低发电成本,通过精心设计减少初始投资。只要根据我国国情不断创新并提出可行性的方案,即可有效提升槽式太阳能热发电技术在我国可再生能源发电中的市场竞争力。本文作者分享了几种槽式太阳能的方案,以供参考。
前言
太阳能光热发电技术目前主要有槽式、塔式、碟式、线性菲涅耳四种,其中槽式光热发电约占据装机总量的70%以上,技术成熟度得到公认,已被证明是一种具有发展前景的可再生能源技术。槽式光热发电的基本优势是可以借助传热介质的热惰性以及储能有效应对多云天气的变化,在热循环系统中可保持温度相对稳定,其输出的优质电力和规模储能为电网所欢迎。

槽式聚光设备经长时间的实践磨合,技术参数接近极限;充分运用光谱选择性吸收原理致使其光热转化效率最高;尽管我国自然环境约束条件多,太阳能直射辐射值(DNI)大多低于中东北非等国外的资源条件,但槽式光热循环系统可通过多能互补充分展现储热优势;通过延长发电时数降低发电成本;通过精心设计减少初始投资;只要根据国情有针对性地不断创新,即可有效提升槽式光热发电技术在我国可再生能源发电中的市场竞争力。

图2 无储热的槽式光热发电技术原理图

图3 首次在欧洲应用的带熔盐储热设备的槽式光热发电技术

图4 美国Solana和 Mojave两电站年度季节性运行曲线
一、鼓励槽式太阳能热发电与风电、光伏互补储热
推广在光热发电站内配置风电、光伏等可再生能源设施,推广燃气布雷顿发电与光热发电互补储热发电技术,其目的是降低初始投资,增加发电时数,提高市场竞争力。
电规总院和水规总院先前发布的《2016—2017年投产电力工程项目造价情况》显示,我国5个百万千瓦级二代改进型核电项目平均造价为12038元/千瓦,11个常规水电项目造价为9352元/千瓦,41个火电项目为3593元/千瓦,而风电和光伏发电分别为7587元/千瓦和7406元/千瓦。显然,光热发电在初始投资上已经“输在了起跑线上”。目前,风电和光伏设备市场竞争比较充分,价格降幅很大,近期GE中标内蒙古兴安盟100MW风电项目,风机报价仅3491元/千瓦!由此可见,把风电或光伏作为光热电站的重要组成可有效平抑光热发电初始投资,同时建立以光热发电为核心的综合能源发电基地。
传统槽式光热发电站的发电时数基本与当地的DNI相当,如果引入风电和光伏电力可借助电储热提高年发电时数和发电量;尤其是将两个不稳定电力通过储能加以均衡,可进一步增强光热电站作为电网基荷电源的能力,激发风险资本对光热发电的投资热情。如图5所示。

图5 风电、光伏与光热发电互补示意图

图6 风电、光伏运行负荷曲线
选择风电互补储热,主要利用风电反调峰特性为储热设备提供辅助热源;如图6风电、光伏运行负荷曲线所示,我国风电机组夜间运行多,与负荷需求恰好相反,成反调峰状态,因此将反调峰电力用于光热发电储热,可与光热发电形成有效互补,相比光伏发电与光热发电同周期运行更有利。图7是国内风电行业借用光热发电熔盐储热模式提出的电转热储能发电系统。

图7 国内风电行业电转热储能发电系统
图8是将风力直接转换成热能,经高温熔盐存储后以输出稳定电力的一种技术模式。显然,引入风电加大电储热比例,或将风转热直接嫁接到光热发电系统中,可有效提高储热和发电设备的利用率,减少外用电使用量,减少寄生损耗,有利降低运行成本。

图8 风力热储能发电系统,借用光热发电熔盐储热模式

图9 摩洛哥Noor Midelt的800MW太阳能光伏和光热混合发电项目原理图
该项目技术人员拟采用白天光伏和太阳能光热的重叠发电来优化光热混合存储的容量和效率,即充分利用光伏白天的电力加热太阳能热发电的熔盐存储介质,以保证夜间发电。他们计划在Noor Midelt的首个混合互补存储项目中实现以每千瓦时7美分的价格提供可调度的太阳能电力。
如图10所示,该项目计划选择塔式熔盐热发电为第一级换热,将熔盐温度由170℃(最低)提升至560℃;光伏电力加热为第二级换热,可根据熔盐气化点继续提高熔盐工况温度。该电加热器采用串联模式,同样可用于槽式互补储热发电系统。为避免光照连续不足还需要配置电网辅助电加热系统,或配置燃气补热装置。如同Abengoa在美国建立的280MW索拉纳项目一样,起初配置的光伏电站并未保证12个熔盐罐安全,最终增加燃气锅炉以规避熔盐罐及管道可能发生的熔盐凝固事故。

图10 光伏电加热辅助熔盐互补热发电系统
其实,美国新月沙丘塔式熔盐热发电项目就采用了光热+光伏的混合设计,其光热发电的净容量为100MWe,光伏发电容量为60MW,但未选择利用光伏的电力进行热存储。
Abengoa近期计划将光伏或风电电加热存储技术“嫁接”到西班牙早期没有存储设备的槽式光热电站中,拟选择一个50MW槽式电站,初步规划用4年完成改造。

图11 风电和光伏采用电池短时存储、电转热长时存储,对光热发电构成挑战
笔者很早就提出将不稳定的光伏或风电通过电加热装置与光热发电储热系统嫁接,以充分发挥光热发电特有的储热技术优势。但是,如果风电和光伏电站如图11所示移植电储热和太阳能热发电技术,即可借助初始投资低的先发优势对光热发电技术构成挑战。
二、储热设计与太阳能倍数脱钩
采用太阳能倍数与储热脱钩的设计模式,聚光镜场规模只服从(设计点选择800瓦/㎡)发电设备铭牌功率,可有效降低镜场投资规模。从美国上世纪八十年代开发槽式热发电技术初始,在电站增加储能设施其初衷是为应对夏季超过设计点的溢出。德国千年太阳能公司设计的两罐熔盐储热技术于2008年首次在西班牙Andasol-1号电站应用,从实际应用效果看,尚无法达到设计目标,但因为储能系统的增加以及对应的聚光场面积的增加,导致初始投资较无储热电站明显增多。

表1 美国Solana 、Mojave和Genesis同规模电站比较
以美国Solana和Mojave两个槽式光热电站作比较,电站设计均出自西班牙Abengoa Solar公司之手,相同规模、相同设计,区别在于Solana带储热设备,而后者无储热设备,两者相差4亿美金,如和Genesis比较投资增加7.5亿美金。如表1所示。

表2 西班牙三个电站比较
西班牙安达索地区DNI略高于我国,安达索三个电站首次应用熔盐储热技术,年设计发电时数3589h(实际运行时数相差近千小时),储热7.5h,聚光镜面积达51万㎡,优惠电价0.32欧元/kWh,燃气占15%,寄生损耗27.2GWh,约占发电总量的15%左右;艾波索以及索拉维的三个电站均不带储热装置,聚光镜面积分别为29万和29.43万㎡,与安达索电站相差一半,运行工况温度且高于前者。如表2所示。

图12 推广“小镜场”大储罐技术
转变传统太阳能镜场必须和储热规模匹配设计和确立多能互补储热的理念极有必要。建议根据我国国情实行非匹配设计,为降低初始投资(镜场投资占总投约60%),推广“小镜场”大储罐技术,镜场规模最多控制在1.5倍之内,也即按储热2小时确定镜场规模;储热设备或罐体容量按预设的储热量和发电时数选择,为风电或燃气互补储热留置容量空间。如图12所示。
三、倡导单罐固体填充一体化储能技术
为降低储能设备投资(占总投资10-15%),提倡单罐储能替代双罐储能,有效降低初始投资。如图13所示。

图13 单罐固体填充和蓄电一体化储能技术
槽式太阳能储热蓄电一体化系统简介:
1、本装置选用高温硅油做传热介质,工况温度400℃,无低温冷凝结晶疑虑;
2、采用单罐固体储热介质填充技术,替代价格昂贵的熔盐;固体填充物优先选择成本低的废弃陶瓷或冶炼废弃物钢渣、铁渣等,浇注成型置入储热罐内。
3、蓄电装置采用钠氯化物高温熔盐电池堆,中心工况温度300℃;
4、蓄电来源主要吸纳风电、光伏和电网超负荷过载电力;
5、本装置拟参与电网削峰填谷、调频调压任务,目标为电网基荷电源。
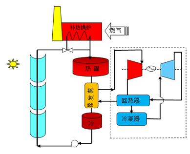
四、燃气发电与光热发电互补储热

图14
(摘自:NREL-52424《Gas Turbine/Solar Parabolic Trough Hybrid Design Using Molten SaltHeat Transfer Fluid 》)
使用燃气发电替代现有燃气普通锅炉,利用瞬时启动快的特点,增强参与电网调峰的能力,同时利用燃气发电产生的高温排气为储热罐补热,以克服太阳能不稳定、不可控的缺陷,有效增加发电时数,提高槽式光热电站的可控性和市场竞争力。如图14所示。该技术不同于燃气联合发电即IGCC或ISCCS模式,燃气发电机组是为发挥光热电站特有的储热功能,以弥补光照资源不稳定和克服光热发电的间歇性提出的技术方案。该技术既可用于槽式也可用于塔式。
2016年10月,欧盟针对欧洲南部地区DNI较低的现状,提出沼气与光热发电互补的HYSOL研发课题。该项目为欧盟资助项目,由西班牙ACS-COBRA牵头,欧盟内8个单位参与,包括太阳能组织PSA-CIEMAT、西班牙马德里技术大学、意大利ENEA、IDIE(西班牙)、AITESA(西班牙)、Tekniske大学(丹麦)和SDLO-PRI(荷兰)。欧盟的燃气互补发电实验项目即HYSOL的设计和运行主要基于当地的电力需求、太阳能资源以及辅助燃料的来源、成本和特性,辅助燃料可能是化石燃料或可再生燃料。HYSOL的概念是基于CSP电站以熔盐的形式储存热能(TES),可以在槽式或塔式太阳能系统应用。该电站拟采用Brayton循环,利用燃气轮机废气中的热能与传统的Rankine循环结合。该项目宣称可高效生产清洁能源。如图13所示。我国光照资源相比欧洲南部相差无几,其发展观念可以借鉴,但应设法规避二氧化碳和氮氧化物排放问题。

图15 欧盟HYSOL燃气发电与熔盐储热互补原理图
风电与燃气发电作为热源与光热发电互补,可以弥补太阳能热发电的缺陷,通过储热设备作为介质,从根本改变可再生能源共有的不稳定、不连续、不可控的问题。

图16 光热发电与燃气互补平衡季节性出力
欧盟HYSOL项目对实行燃气互补后的发电情况进行比较,显示借助燃气发电为光热发电系统补热储热,不仅延长发电时数,而且平抑了太阳能发电的季节性差异。如图16所示。
五、纯氧燃气发电与槽式光热发电互补,追梦“终极能源”
采用半闭式超临界二氧化碳纯氧燃气发电与槽式光热发电互补,其目的是创建可再生能源“终极能源”发电系统,以逐步替代化石能源发电,最终实现零碳绿色电力。如图17所示。
其原理是:将槽式太阳能热发电技术有机嫁接在半闭式超临界二氧化碳燃气布雷顿热发电系统中,通过互补储热、循环发电以规避太阳能热发电不稳定、不连续的先天缺陷;同时利用纯氧燃气发电产生的水进行电解制氢制氧,汽水分离出的二氧化碳除用作动力工质外,其余部分进行加氢甲烷化制备,并将制备的甲烷气进行存储,而利用可再生能源电解水制氢获得的氧气用于系统自身的纯氧燃气布雷顿高效发电;系统冷凝产生的水和加氢甲烷化产生的水将直接提供给槽式太阳能热发电系统作蒸汽朗肯循环发电补水使用,多余的水作清洗聚光镜用水。据国外测算,不含甲烷制备产生的水,仅550兆瓦电站即可产生1.8亿加仑水。
其实,当人们把目光聚焦在氢能的开发和利用时,氢能几乎成了“终极能源”的代名词,但是氢能毕竟属于二次能源,只有将可再生能源与氢能有机结合,直接将其转化为电能,减少氢的储运和使用中的繁琐过程才能最终展现其“终极能源”的魅力。

图17 槽式太阳能热发电与风电和燃气发电制氢制甲烷循环热发电
六、可再生能源与氢结合,副产绿色化肥
我国是世界上氨产量和使用量最多的国家,占世界总产量的三分之一左右,但是氨的获取主要依赖天然气和煤炭。目前全世界5%的天然气用于生产氨,大多采用哈伯法工艺,每生产一吨氨则排放三吨二氧化碳,可谓二氧化碳排放和电力高耗能大户。
如果借助太阳能或风能等可再生能源电力通过空分设备制取氧气,利用副产的氮气与电解水制取的氢气混合制备“绿色氨”,再与燃气发电系统回收的二氧化碳混合生产碳酸氢氨、尿素等化工产品,不仅可大幅减少我国的二氧化碳排放,而且经农业施放“绿色化肥”还可实现真正意义的二氧化碳自然循环。
槽式光热发电结合风能与纯氧燃气发电互补同时进行氨制备即可实现“绿色化肥”生产,该技术的应用对我国西部风能和太阳能禀赋较高,但吸纳能力较弱的地区无疑是一件好事。对于政策制定者而言,也可据此鼓励农用石化项目逐渐由我国东部西移至可再生能源丰富的西部地区,即有利于国土产业布局优化,也有利于二氧化碳减排,同时改善影响我国东部雾霾气象的气凝胶积聚效应,将是一举多得。如图18所示。

图18 太阳能、风能与燃气互补热发电副产绿色化肥示意图
总之,光热发电技术在我国能源转型中的地位需要靠自己的技术实力来保证,其根本出路在于发挥自身特有的储热技术优势——可以与光伏、风电或燃气发电与光热发电互补储热,力争平衡季节性和间歇性发电,在提高发电设备利用率的基础上,将年发电时数的设计值增加到5000小时以上,这一选择已被证明是完全可行的。
另外,我们对光热发电使用天然气应持包容的态度;业内人士也要少点理想主义色彩,只要光热发电技术做到少排放或不排放二氧化碳就应予以肯定。因此,选择风电制热或燃气发电与光热发电实现互补不失为一种更现实、更经济、更具竞争力的技术路线。
结语
槽式太阳能热发电技术和应用在全球光热发电技术领域占主导地位,究其根本原因在于技术成熟度高,创新空间大。但是面对我国不太丰沛的太阳能资源和现状,必须对槽式太阳能热发电技术进行再创新。创新的目标无非是降低初始投资,提高发电效率、延长发电时数,增强盈利能力,建立与光伏和风力发电竞争的技术基础。
上世纪末,欧盟牵头组织欧洲一些国家联合开发槽式太阳能热发电技术,其中为大家所熟知的“欧洲槽”聚光阵列和槽式熔盐储热技术就是这次联合设计的产物,正因为有了联合设计,才加快了槽式太阳能热发电技术在全球的推广。
可喜的是,我国自2016年以来相继建立了两座规模化的槽式光热发电站,这为我国积累建设和运行的经验奠定了基础,加之为槽式光热发电配套的产业链基本齐备,创建槽式光热发电中国方案指日可待,相信在不久的将来,我国企业能携中国方案走向国际市场。
注:本文作者张建城先生为退休公务员,曾履职政府部门分管科技工作。本文旨在抛砖引玉,促进探讨交流。所述观点仅代表作者个人。