10月20日,四川大明工程建设管理咨询有限公司受攀枝花学院委托,发布枝花学院太阳能集热镜场项目进行竞争性磋商招标公告。公告显示:响应文件递交及磋商截止时间为2017年11月3日10:00(北京时间)。
公告显示:本次采购分为太阳能集热镜场项目一个包;交货时间30日历天。
一、对技术参数及需求是:
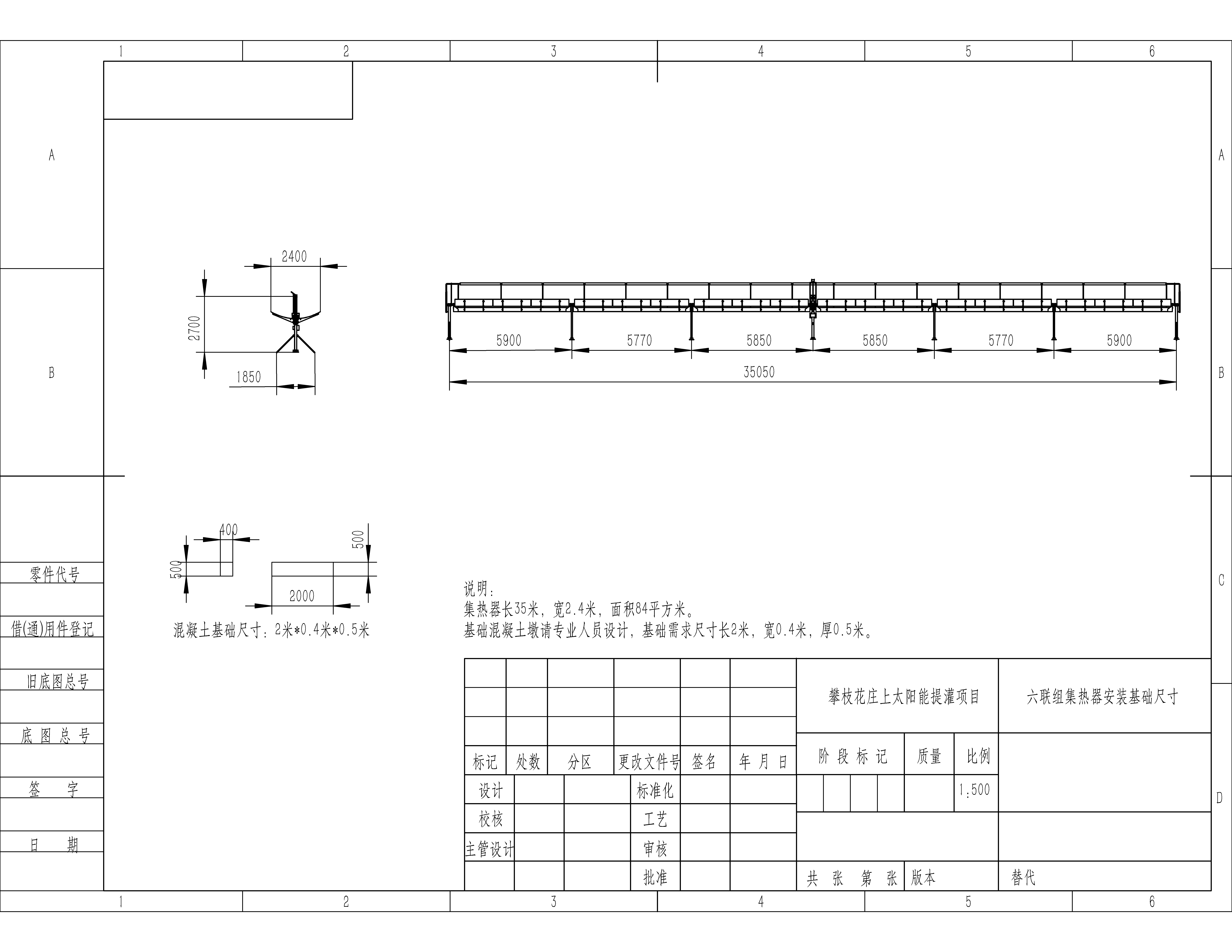
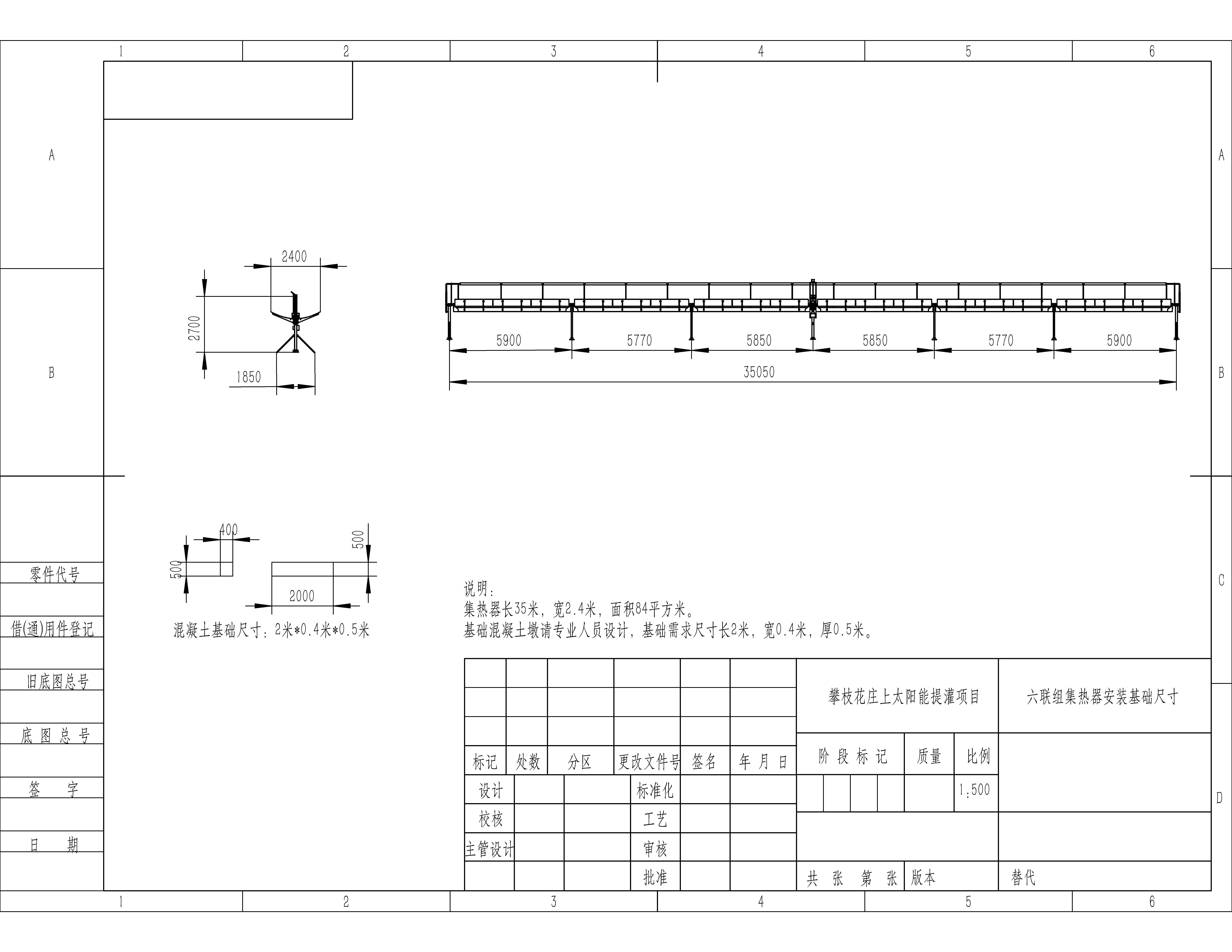
1、槽式集热镜场,86m2,安装于校外试验场所。
要求:开口2.4m,反射镜单张聚焦光斑宽度1.5cm以内,随阳光自行精确对焦。详见设计图附件。
2、储热罐两个,按照设计要求提供,详见设计图附件。

3、安装到位。
二、要求售后服务达到:
1、投标商必须提供售后技术服务支持,负责向学校提供远程技术支持服务,响应时间不超过1小时;若远程支持无法解决问题的,供应商须承诺48小时内上门服务,72小时内解决问题。
2、中标单位必须到学校进行安装、调试货物产品,确保产品能正常运行。
三、对供应商资格要求
1、具有独立承担民事责任的能力;
2、具有良好的商业信誉和健全的财务会计制度;
3、具有履行合同所必须的设备和专业技术能力;
4、具有依法缴纳税收和社会保障资金的良好记录;
5、参加政府采购活动前三年内,在经营活动中没有重大违法记录;
6、法律、行政法规规定的其他条件。
本项目不接受联合体投标;
附:攀枝花学院太阳能集热镜场项目竞争性磋商招标公告
四川大明工程建设管理咨询有限公司受攀枝花学院委托,根据《中华人民共和国政府采购法》等有关规定,现对攀枝花学院太阳能集热镜场项目进行竞争性磋商招标,欢迎合格的供应商前来投标。
项目名称:攀枝花学院太阳能集热镜场项目
项目编号:DMCG(PZC)2017010
项目联系方式:
项目联系人:朱先生、毛女士
项目联系电话:13208206333、15984586117
采购单位联系方式:
采购单位:攀枝花学院
采购单位地址:地址:攀枝花市东区机场路8号
采购单位联系方式:联系人:吴女士 联系电话:0812-3370624
代理机构联系方式:
代理机构:四川大明工程建设管理咨询有限公司
代理机构联系人:联 系 人: 朱先生、毛女士 联系电话:13208206333、15984586117
代理机构地址: 攀枝花市东区榕树街6号4栋2单元1-2号
一、采购项目的名称、数量、简要规格描述或项目基本概况介绍:
详见磋商文件及附件
二、对供应商资格要求(供应商资格条件):
1.供应商应具备《中华人民共和国政府采购法》第二十二条规定的下列条件:1)具有独立承担民事责任的能力;2)具有良好的商业信誉和健全的财务会计制度;3)具有履行合同所必须的设备和专业技术能力;4)具有依法缴纳税收和社会保障资金的良好记录;5)参加政府采购活动前三年内,在经营活动中没有重大违法记录;6)法律、行政法规规定的其他条件。2.根据采购项目提出的特殊条件:1)本项目不接受联合体投标;
三、磋商和响应文件时间及地点等:
预算金额:20.0 万元(人民币)
谈判时间:2017年11月03日 10:00
获取磋商文件时间:2017年10月23日 09:30 至 2017年10月27日 16:30(双休日及法定节假日除外)
获取磋商文件地点:在四川大明工程建设管理咨询有限公司攀枝花分公司(攀枝花市东区榕树街6号4栋2单元1-2号)
获取磋商文件方式:现场发售。供应商购买招标文件必须携带以下资料:单位介绍信或法人授权书(单位介绍信或法人授权书须加盖公司鲜章、注明联系人及联系方式、电子邮箱)、授权代表身份证复印件。现场缴纳标书款。
磋商文件售价:400.0 元(人民币)
响应文件递交时间:2017年11月03日 09:30 至 2017年11月03日 10:00(双休日及法定节假日除外)
响应文件递交地点:攀枝花市东区人民街32号3楼会议室(攀枝花市图书馆敬仁堂药房楼上)
响应文件开启时间:2017年11月03日 10:00
响应文件开启地点:攀枝花市东区人民街32号3楼会议室(攀枝花市图书馆敬仁堂药房楼上)
四、其它补充事宜:
无
五、采购项目需要落实的政府采购政策:
详见磋商文件。
